
產品用途:
家庭、賓館、學校等的自來水增壓供水,家庭、花園、園林綠化澆灌,排空游泳池等。
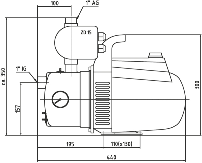
產品特點:
自吸式增壓泵,泵殼采用不銹鋼材質,不銹鋼電機軸的高品質電機,熱過載保護,密封采用機械密封,吸程高達8.5米,干轉保護ZD系列電子式壓力開關.
MPD特點
•自吸多級離心泵,低工作噪音
•不銹鋼電機軸的高品質電機
•熱過載保護
•泵殼,螺絲采用不銹鋼材質
•鋁合金電機外殼(MPD350:不銹鋼)
•葉輪和擴散器由耐用的塑料
•密封采用機械密封
•吸口和排出口為連接1“”
•吸程高達8.5米
•干轉保護ZD系列電子式壓力開關
|
型號 |
序列號 |
P1 [W] |
P2 [W] |
電壓 [V] |
電流 [A] |
轉速 [min-1] |
Qmax [m3/h] |
Hmax [m] |
重量 [kg] |
|
MPD 350 |
17067 |
1,0 |
0,7 |
230 |
4,4 |
2800 |
4,3 |
44 |
11,7 |
|
MPD 450 |
15636 |
1,7 |
1,3 |
230 |
7,4 |
2800 |
6,0 |
50 |
17,3 |
|
MPD 255 |
15557 |
1,7 |
1,4 |
230 |
7,4 |
2800 |
7,0 |
57 |
16,5 |
.jpg)
.jpg)